熱門文章排行
YZUL系列立式振動電機
産品分類: 配件系列
YZUL系列立式振動電機系列專門爲旋振篩而設計的一種動力源與振動源合二爲一的特種異步電動機。也可用于與旋振篩有相似運動軌迹要求的其它振動設備上,其功效等同于普通旋轉電機
訂購熱線:15516627803
産品介紹
YZUL系列立式振動電機系列專門爲旋振篩而設計的一種動力源與振動源合二爲一的特種異步電動機。也可用于與旋振篩有相似運動軌迹要求的其它振動設備上,其功效等同于普通旋轉電機驅動立式激振器之組合。
YZUL系列立式振動電機爲立式安裝,其結構特點、使用條件及主要性能與YZO系列卧式振動電機一樣。
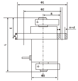
YZUL系列立式振動電機技術參數與安裝尺寸參見附表:


技術參數






